• <li id="44qqq"><tt id="44qqq"></tt></li><li id="44qqq"><tt id="44qqq"></tt></li>
  • <li id="44qqq"></li>
    <li id="44qqq"></li>
  • <tt id="44qqq"></tt>
    <li id="44qqq"></li>
    <li id="44qqq"></li>
    <li id="44qqq"><tt id="44qqq"></tt></li>
    <li id="44qqq"></li>
  • 產品名稱: KWXHG消弧及過電壓保護裝置
    產品質量:
    詳細介紹

    一、概述

    本產品廣泛用于電廠、石油、化工、煤炭、冶金等行業的供電系統,在小電流系統中,隨著系統的逐漸增大,電容電流也越來越大,一旦發生單相接地故障,極易產生弧光過電壓,使故障擴大,因此需要抑制弧光過電壓。本產品通過在母線上將接地相金屬性接地的方式,屏蔽線路的非金屬性弧光接地,達到熄弧效果,從而保護系統絕緣,防止過電壓擊穿非故障相。

    二、裝置的型號、主要電氣參數及一次系統接線

    裝置的型號意義


    裝置的主要電氣參數:

    額定電壓:6、10、35kV

    額定電流:50、63、80、100、125、160、200、250、315A

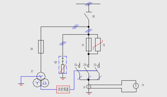
    裝置的一次原理接線圖:該圖可作為本裝置的圖標,表示在電氣一次系統接線圖中。


    三、裝置的工作原理

    正常運行時微機控制器不斷檢測PT提供的電壓信號,一旦系統發生單相弧光接地時,真空接觸器快速動作,將不穩定的弧光接地轉化為穩定的金屬性接地。裝置輸出開關量接點信號,同時可通過RS485(或RS232)接口與微機監控系統實現數據遠傳。

    四、特點

    1、投資少。

    2、占地面積小。

    五、注意事項

    1、本產品適用于小電流系統。

    2、本產品適合用于終端(用戶)變電站(廠用電)。

    3、用戶最好是雙電源供電,且有備自投系統。



    亚洲av永久无码精品网站