• <li id="44qqq"><tt id="44qqq"></tt></li><li id="44qqq"><tt id="44qqq"></tt></li>
  • <li id="44qqq"></li>
    <li id="44qqq"></li>
  • <tt id="44qqq"></tt>
    <li id="44qqq"></li>
    <li id="44qqq"></li>
    <li id="44qqq"><tt id="44qqq"></tt></li>
    <li id="44qqq"></li>
  • 產品名稱: KWPQ系列電能質量監測儀
    產品質量:
    詳細介紹

    一、概述

    隨著電力電子技術廣泛應用和電弧爐等沖擊負荷以及電力機車等拖動負荷的日益增多,對于電力行業來說,要保持滿足用戶要求的電能質量變得越來越困難。電力電子技術的廣泛應用,在技術和經濟上帶來了一系列方便和效益的同時,也使電網諧波的含量大量增加。電網諧波污染的日益嚴重,導致了電氣設備的壽命縮短,網損加大,增加了電網發生諧振的可能性,使繼電保護和自動裝置不能正常動作或操作,導致儀表指示和電度計量不準以及計算機和通信受干擾等一系列嚴重后果。

    二、功能及特點

    基本監測指標:

    電網頻率、三相基波電壓、電流有效值、基波有功功率、無功功率、功率因數、相位等;

    電壓偏差、頻率偏差、三相電壓不平衡度、三相電流不平衡度、負序電壓、電流;

    諧波(2~50次):包括電壓、電流的總諧波畸變率、各次諧波含有率、幅值、相位。

    高級監測指標:

    間諧波、電壓波動、閃變;

    電壓驟升、驟降、短時中斷、暫時過電壓、瞬態過電壓。

    顯示功能:

    裝置面板上帶有大屏幕LCD顯示器,實時顯示電能質量監測指標的數據。

    記錄存儲功能:

    裝置內置SD卡(容量可選),可對基本監測指標和高級監測指標實時保存。保存時間可設置,實時數據在裝置上最長保存時間為一年,之后按“先進先出”原則更新。

    統計功能:

    裝置具有對主要監測指標的在線統計功能,可統計一個時間段內監測指標的最大值、最小值、平均值、95%概率大值等。

    通訊功能:

    裝置提供多種通訊接口方式,實現監測數據的實時傳輸或定時提取存儲記錄??赏ㄟ^工業以太網接口與遠方電能質量管理中心通訊,也可通過RS-485接口,以GPRS方式(定制)與遠方通訊。

    GPS對時功能(定制):

    裝置具備B碼對時功能及GPS脈沖對時功能,可保持與遠方管理中心的時鐘一致。

    事件觸發錄波功能(限于KWPQ-FI)

    可根據客戶要求設定事件觸發條件(手動或自動),記錄事件觸發前、后實時數據并保存,保存有事件日志以供查詢。

    三、應用環境

    正常工作溫度:-10℃~+55℃;極限工作溫度:-20℃~+65℃。

    相對濕度:5%~95%。

    大氣壓力:86kPa~106kPa。

    海拔:不超過3000 米。

    防護等級:IP50。

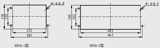
    四、裝置開屏尺寸圖(單位:mm)


    七、訂貨須知

    請告知裝置電源電壓。

    請告知是否需要通訊功能及選擇何種通訊接口及通訊協議。

    請告知是否需要開關量啟動報警功能,接入的此開關量有無電源。

    請告知需要監測電壓及電流的路數。


    亚洲av永久无码精品网站