• <li id="44qqq"><tt id="44qqq"></tt></li><li id="44qqq"><tt id="44qqq"></tt></li>
  • <li id="44qqq"></li>
    <li id="44qqq"></li>
  • <tt id="44qqq"></tt>
    <li id="44qqq"></li>
    <li id="44qqq"></li>
    <li id="44qqq"><tt id="44qqq"></tt></li>
    <li id="44qqq"></li>
  • KW-TBP的試驗方法及注意事項

    提供者:  來源:相地短路保護,單相接地保護,零序保護,KWXD45,KWXD4595,中性點電阻柜,相地檢測保護裝置,KWCK-1型開關狀態指示儀,保定市科威電力科技有限公司官網   時間:2020-01-13  
    1、試驗方法:

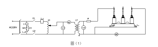
    ? ? ? ?試驗原理接線如圖(1)所示。


    圖(1)

    ? ? ? ?V1、V2-電壓表 ?A1、A2-數字電流表 ?ZT-調壓器 ?ST-試驗變壓器 ?LJ-電流繼電器 ?R-限流電阻
    ? ? ? ?按原理圖將相關儀表和設備連接好。測試前應首先將電流繼電器LJ的整定值調至最小值(作為后備保護),然后將試驗變壓器空載升壓,電流繼電器LJ應不動作,將數字電流表A2的量程調至10~20A(5KVA及以下容量試驗變壓器可不加限流電阻R)。
    ? ? ? ?工頻試驗電壓分別加在被測試品的A和D、B和D、C和D、A和C、B和C、以及A和B上,緩慢調高試驗變壓器的輸出電壓,同時觀察電壓表及數字電流表A2,KW-TBP間隙未擊穿放電時,數字電流表A2的讀數為零或數值很小。當試驗變壓器的輸出電壓達到KW-TBP的動作值時,KW-TBP間隙被擊穿放電,數字電流表A2的讀數將突增,電流表A1同樣也會有突變現象產生,此時試驗變壓器的高壓輸出電壓值即為該KW-TBP的工放值。
    2、試驗注意事項:
    ? ? ? ?a、戶內型KW-TBP在做工放試驗時,將KW-TBP放在鐵板上進行,鐵板同時可靠接地,鐵板面應略大于KW-TBP下底面;
    ? ? ? ?b、用戶在做KW-TBP工放時,不能以電流繼電器LJ是否動作來作為KW-TBP的工放數值的依據;
    ? ? ? ?c、在做KW-TBP工頻放電時,當觀察到電流表有明顯的增大時,要立即將調壓器回零,并切斷電源.切忌在放電后繼續升高電壓,以免損壞保護器;試驗時,只有內部間隙放電,外圍任何部分不得有閃絡;
    ? ? ? ?d、用戶在試驗時如果發現其工放值超出表一中的允許范圍時,請仔細檢查接線是否正確、表計是否準確和調壓器炭刷是否接觸良好.如經檢查測試數據無誤,確已超出允許范圍時,請與我公司聯系;
    ? ? ? ?e、用戶在做其它電氣設備絕緣試驗時,應將KW-TBP連接線拆除;本產品每一年做一次預防性試驗;
    3、安裝及注意事項:
    ? ? ? ?a、戶內型可以水平安裝在各種不同型號的開關柜內,該類產品除直接與開關柜"A"、"B"、"C"三相及接地相("D"相)相連的線鼻子為裸導體外,其余部分被絕緣體封閉,因此它的相間、相對地(或柜體)的距離及對柜體安裝空間要求相應較小,可直接安裝在開關柜的手車底盤內或互感器室內;戶內KW-TBP在安裝時,用戶需要倒裝或側裝時,必須加倒裝或側裝專用夾具,倒裝或側裝的接線方法同水平安裝。
    ? ? ? ?b、帶有過電壓動作計數器的KW-TBP,先將KW-TBP本體(安裝方式同上)和過電壓動作計數器各自固定好后,通過配備的特制電纜相連,安裝尺寸詳見《過電壓動作計數器說明書》;
    ? ? ? ?c、KW-TBP在和三相電源(A、B、C)及接地端(D)相連時,須注意以下事項:
    ? ? ? ?⑴電纜外端裸露的連接線鼻子相互之間距離,應滿足不同電壓等級的不同相帶電導體之間保持的最小安全距離的要求;
    ? ? ? ?⑵KW-TBP保護器電纜線之間的安全距離及KW-TBP保護器電纜線與不同相母線(或柜體)之間的安全距離應不小于該型保護器電纜出口處的相間距離(應在電纜拉緊狀況下);
    ? ? ? ?⑶高壓電纜長度要根據安裝位置進行選擇,長短要適當,過長時可將該相電纜捆扎固定在同相母排(線)上,嚴禁將不同相電纜捆扎在一起;
    ? ? ? ?⑷用戶在手車上安裝KW-TBP,可先將KW-TBP的B相正對母排的B相位置固定,然后再進行接線;
    ? ? ? ?⑸安裝時嚴禁手提電纜.同時要注意避免高壓電纜被銳器割破。
    亚洲av永久无码精品网站